2021ÄêÈ«¹ú31Ê¡·Ý¹øÂ¯Åŷűê×¼Õþ²ß»ã×Ü
2021-04-21
1.ºÓÄÏ

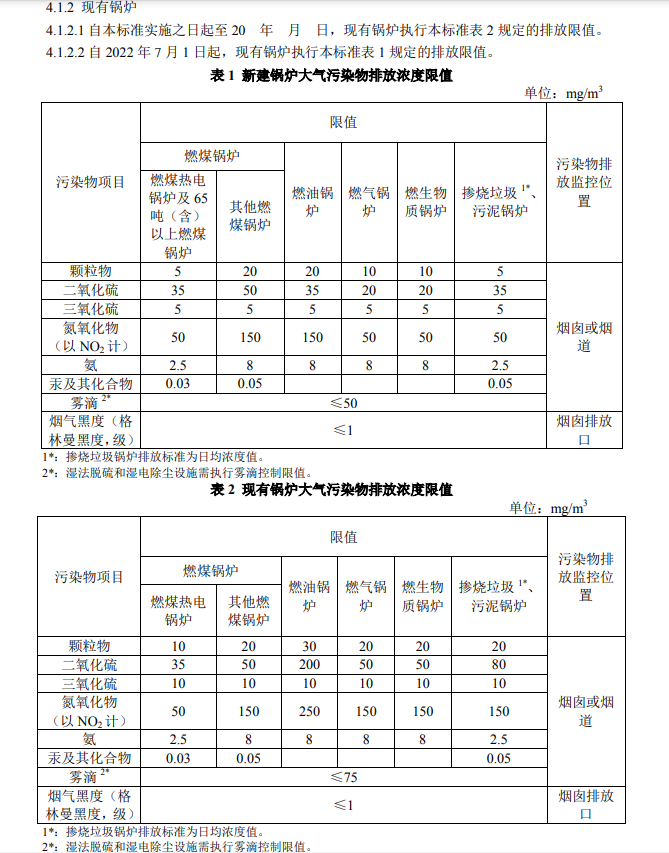
Îļþ×Ô20213ÔÂ1ÈÕÆðʵʩ¡£
2.ɽ¶«

2020Äê1ÔÂ1ÈÕÆð£¬ÏÖÓÐȼÓÍ¡¢È¼ÆøºÍÆäËûȼÁϹøÂ¯°´ËùÔÚ¿ØÖÆÇøÖ´ÐбíÖеÄÅÅ·ÅŨ¶ÈÏÞÖµ¡£
3.Ìì½ò
Ìì½òÊС¶¹øÂ¯´óÆøÎÛȾÎïÅŷűê×¼¡·ÐÞ¶©ÊµÊ© 2020Äê8ÔÂ
Õâ´Î¡¶±ê×¼¡·ÐÞ¶©ÒÔÏȽøÎȶ¨¿ÉÐеŤÒÕ¼¼ÊõΪÒÀÍУ¬½øÒ»²½½µµÍ»¯Ê¯È¼ÁÏȼÉÕÎÛȾÎïÅÅ·Å£¬Í¹ÏÔ³öËÄ´óÌØµã¡£“Ò»ÊÇÃ÷È·ÁËÊÊÓùæÄ££¬ºÃ±È£¬½«ÉúÎïÖÊÓ͹øÂ¯ÄÉÈë²ÎÕÕ±¾±ê×¼Ö´ÐйæÄ£¡£”ÊÐÉú̬Çé¿ö¾ÖÊÂÇéÈËÔ±½éÉÜ£¬¶þÊÇÊÕÑÏÁ˹øÂ¯Ö÷Òª´óÆøÎÛȾÎïÅÅ·ÅÏÞÖµ£¬½«È¼Ãº¹øÂ¯¿ÅÁ£Îï¡¢¶þÑõ»¯Áò¡¢µªÑõ»¯Îï¡¢¹¯¼°Æä»¯ºÏÎïÖ´Ðбê×¼´Ó30¡¢100¡¢200¡¢0.05 ºÁ¿Ë/Á¢·½Ã×£¬ÊÕÑÏÖÁ10¡¢35¡¢50¡¢0.03ºÁ¿Ë/Á¢·½Ã×£»È¼Ó͹øÂ¯¼°È¼Æø¹øÂ¯¿ÅÁ£Îï¡¢¶þÑõ»¯Áò¡¢µªÑõ»¯ÎïÖ´Ðбê×¼´Ó30¡¢50¡¢300ºÁ¿Ë/Á¢·½Ã×ÊÕÑÏÖÁ10¡¢20¡¢50ºÁ¿Ë/Á¢·½Ã×£¬Ð½¨È¼Æø¹øÂ¯Ò»Ñõ»¯Ì¼Ö´ÐÐ95ºÁ¿Ë/Á¢·½Ã×µÄÅÅ·ÅÏÞÖµ¡£ÈýÊǶÔȼú¹øÂ¯ÆóÒµÊ×´ÎÌá³öÁËÎÞ×éÖ¯ÅÅ·Å¿ØÖÆÒªÇ󣬲¢Ã÷È·Á˸ßÎÛȾȼÁϽûÈ¼Çø¹Ü¿ØÒªÇó¡£ËÄÊÇÓ¦ÓÿƼ¼ÊÖ¶Îʵʩ¼à¹Ü£¬µ÷½âÁ˹øÂ¯×°ÖÃÎÛȾÎïÅÅ·Å×Ô¶¯¼à¿ØÏµÍ³¹æÄ£¡£
4.ºÓ±±
ÑϸñÁ˹øÂ¯ÑÌÆø¿ÅÁ£Îï¡¢¶þÑõ»¯Áò¡¢µªÑõ»¯ÎïµÄÅÅ·ÅÏÞÖµ£¬È¼Ãº¹øÂ¯»®·ÖΪ10mg/m3¡¢35mg/m3¡¢50mg/m3£»È¼Æø¹øÂ¯»®·ÖΪ5mg/m3¡¢10mg/m3¡¢50mg/m3£»È¼Ó͹øÂ¯»®·ÖΪ10mg/m3¡¢20mg/m3¡¢80mg/m3£»È¼ÉúÎïÖʹøÂ¯»®·ÖΪ20mg/m3¡¢30mg/m3¡¢150mg/m3£»°´¶Öλ¶ÔȼÓ͹øÂ¯¡¢È¼ÉúÎïÖʹøÂ¯ÎÛȾÎïÅÅ·Åʵʩ²î±ð»¯±ê×¼¹Ü¿Ø£¬20Õô¶Ö/Сʱ¼°ÒÔÉÏȼÉúÎïÖʹøÂ¯¿ÅÁ£Îï¡¢µªÑõ»¯ÎïÃ÷ȷΪ10mg/m3¡¢80mg/m3£¬È¼Ó͹øÂ¯µªÑõ»¯Îï»®¶¨Îª50mg/m3¡£Ôö¼ÓÁ˰±ÌÓÒÝ¿ØÖÆÖ¸±ê£¬Æ¾¾Ý²î±ðÖÎÀí¹¤ÒÕ£¬½ÓÄÉSCRÍÑÏõ¹¤ÒÕ»òSNCR-SCRÁªºÏÍÑÏõ¹¤ÒÕ°±ÌÓÒÝΪ2.3mg/m3£¬½ÓÄÉSNCRÍÑÏõ¹¤ÒÕ°±ÌÓÒÝ¿ØÖÆÖ¸±êΪ7.6mg/m3¡£
н¨¹øÂ¯×Ô2020Äê5ÔÂ1ÈÕÖ´ÐУ¬ÔÚÓùøÂ¯×Ô2021Äê6ÔÂ1ÈÕÆðÖ´ÐУ¬
5.¼ªÁÖ
¼ªÁÖÐû²¼2020Äê¡¶ÉúÎïÖʳÉÐÍȼÁϹøÂ¯´óÆøÎÛȾÎïÅŷűê×¼£¨Õ÷ÇóÒâ¼û¸å£©¡·¡£ÆäÖл®¶¨£¬¶¼»á½¨³ÉÇøÐ½¨ÉúÎïÖʳÉÐÍȼÁϹøÂ¯Ö´ÐÐ20/50/200µÄÏÞÖµ,ÆäËûµØÇøÐ½¨ÉúÎïÖʳÉÐÍȼÁϹøÂ¯Ö´ÐÐ50/100/300µÄÏÞÖµ¡£
6.¹ã¶«

Ò»ÊÇÔÚÓùøÂ¯×Ô2019Äê7ÔÂ1ÈÕÆðÖ´Ðбí1»®¶¨µÄ´óÆøÎÛȾÎïÅÅ·ÅÏÞÖµ£¬×Ô2020Äê7ÔÂ1ÈÕÆðÖ´Ðбí2»®¶¨µÄ´óÆøÎÛȾÎïÅÅ·ÅÏÞÖµ
н¨¹øÂ¯×Ô2019Äê4ÔÂ1ÈÕ£¨±¾±ê׼ʵʩ֮ÈÕ£©ÆðÖ´Ðбí2»®¶¨µÄ´óÆøÎÛȾÎïÅÅ·ÅÏÞÖµ

ÈýÊÇδʵÐÐÇå½àÄÜÔ´¸ïеÄÿСʱ35Õô¶Ö¼°ÒÔÉÏȼú¹øÂ¯×Ô2021Äê1ÔÂ1ÈÕÆð£¬Ö´Ðбí3»®¶¨µÄ´óÆøÎÛȾÎïÌØ±ðÅÅ·ÅÏÞÖµ¡£

7.ÉÂÎ÷



8.ÁÉÄþ
ÁÉÄþÊ¡Éú̬Çé¿öÌü¹ØÓÚÖ´ÐÐȼú¹øÂ¯´óÆøÎÛȾÎïÌØ±ðÅÅ·ÅÏÞÖµµÄͨ¸æ
Ö´ÐÐʱ¼ä
£¨Ò»£©Ð¡¢¸Ä¡¢À©½¨ÏîÄ¿
1.×Ô2020Äê4ÔÂ1ÈÕÆð£¬ÐÂÊÜÀíµÄȼú¹øÂ¯Ð¡¢¸Ä¡¢À©½¨»·ÆÀÏîĿִÐдóÆøÎÛȾÎïÌØ±ðÅÅ·ÅÏÞÖµ£¬ÆäÖж¼»á½¨³ÉÇøÈ¼Ãº¹øÂ¯ÏîÄ¿´óÆøÎÛȾÎïÅÅ·ÅŨ¶ÈÒªÇóÂú×㳬µÍÅÅ·ÅÒªÇó£¨ÔÚ»ù×¼Ñõº¬Á¿6%Ìõ¼þÏ£¬Ñ̳¾¡¢¶þÑõ»¯Áò¡¢µªÑõ»¯ÎïÅÅ·ÅŨ¶È²»µÃ¸ßÓÚ10¡¢35¡¢50ºÁ¿Ë/Á¢·½Ã×£©¡£2.ÈôÎÒÊ¡»ò¸÷Êгǫ̈¸üÑϸñµÄÅÅ·Å¿ØÖÆÒªÇ󣬰´ÐÂÒªÇóÖ´ÐС£
£¨¶þ£©ÏÖÓÐÆóÒµ
1.ÉòÑôÊÐÏÖÓÐȼú¹øÂ¯°´¡¶¹ØÓÚÖ´ÐдóÆøÎÛȾÎïÌØ±ðÅÅ·ÅÏÞÖµµÄͨ¸æ¡·£¨ÔÇé¿ö±£»¤²¿2013ÄêµÚ14ºÅͨ¸æ£©ÒªÇóÖ´ÐдóÆøÎÛȾÎïÌØ±ðÅÅ·ÅÏÞÖµ¡£2.Ê¡ÄÚÆäÓà13¸ö¶¼»á£¬×Ô2020Äê11ÔÂ1ÈÕÆð£¬µ¥Ì¨×ÅÁ¦20t/h£¨14MW£©¼°ÒÔÉϵÄȼú¹øÂ¯Ö´ÐдóÆøÎÛȾÎïÌØ±ðÅÅ·ÅÏÞÖµ£¬Ïؼ¶¼°ÒÔÉ϶¼»á½¨³ÉÇøºÍÊм¶¼°ÒÔÉϹ¤ÒµÔ°ÇøÄÚÈÔ±£´æµÄ20t/h£¨14MW£©ÒÔÏÂȼú¹øÂ¯²ÎÕÕÖ´ÐС£3.ÈôÎÒÊ¡»ò¸÷Êгǫ̈¸üÑϸñµÄ´óÆøÎÛȾÎïÅÅ·Å¿ØÖÆÒªÇ󣬰´ÐÂÒªÇóÖ´ÐС£Èý¡¢ÓйØÒªÇó£¨Ò»£©È«Ê¡¸÷¼¶Éú̬Çé¿ö²¿·ÖÒªÑϸñƾ¾Ýȼú¹øÂ¯´óÆøÎÛȾÎïÌØ±ðÅÅ·ÅÏÞÖµ»ò³¬µÍÅÅ·ÅÏÞÖµÒªÇó£¬ÉóÅúËùÓÐС¢¸Ä¡¢À©½¨ÏîÄ¿£¬Æ¾¾Ý“Èýͬʱ”ÖÆ¶È½øÐÐÖÎÀí£¬È·±£Âú×ãÌØ±ðÅÅ·ÅÏÞÖµ»ò³¬µÍÅÅ·ÅÏÞÖµÒªÇó¡££¨¶þ£©ÏÖÓÐȼú¹øÂ¯ÏîÄ¿²»¿ÉµÖ´ï¹øÂ¯´óÆøÎÛȾÎïÌØ±ðÅÅ·ÅÏÞÖµÒªÇóµÄ£¬Ó¦Æ¾¾Ý³¬±êÇé¿öÖÆ¶©ÏÞÆÚÖÎÀí²½·¥£¬È·±£ÔÚ»®×¼Ê±¼äÄÚµÖ´ïÌØ±ðÅÅ·ÅÏÞÖµÒªÇó¡£ÏÞÆÚÖÎÀíºóÈÔ²»¿É´ï±êµÄ£¬Ó¦ÏÞ²úÏÞÅÅ»ò¹ØÍ££¬²¢°´Ïà¹Ø»®¶¨½øÐд¦·Ö
9.ɽÎ÷



ɽÎ÷Ê¡µØ·½±ê×¼DB14/1929-2019¡¶¹øÂ¯´óÆøÎÛȾÎïÅŷűê×¼¡·2020Ä꣬5ÔÂ1ÈÕÆðʵʩ
±¾±ê×¼ÊÊÓÃÓÚɽÎ÷Ê¡Ï½ÇøÄÚ¹øÂ¯µÄ´óÆøÎÛȾÎïÅÅ·ÅÖÎÀí£¬ÒÔ¼°¹øÂ¯Ð½¨¡¢¸Ä½¨¡¢À©½¨ÏîÄ¿µÄÇé¿öÓ°ÏìÆÀ¼Û¡¢Çé¿ö±£»¤ÉèÊ©Éè¼Æ£¬¿¢¹¤Çé¿ö±£»¤ÑéÊÕ¼°ÆäͶ²úºóµÄ´óÆøÎÛȾÎïÅÅ·ÅÖÎÀí¡£
±¾±ê×¼ÊÊÓÃÓÚÒÔȼúΪȼÁϵĵ¥Ì¨×ÅÁ¦65t/h¼°ÒÔÏÂÕôÆû¹øÂ¯ÒÔ¼°65t/hÒÔÉÏ·Ç·¢µçÕôÆû¹øÂ¯£¬ÒÔȼÓÍ¡¢È¼Æø¡¢È¼ÉúÎïÖÊΪȼÁϵÄÖÖÖÖÈÝÁ¿µÄÕôÆû¹øÂ¯£¨º¬·¢µç£©£»ÖÖÖÖÈÝÁ¿µÄÈÈË®¹øÂ¯¼°ÓлúÈÈÔØÌå¹øÂ¯¡£
10.ÉϺ£

ÉϺ£Ðû²¼¡¶¹øÂ¯´óÆøÎÛȾÎïÅŷűê×¼¡·£¬¸Ã±ê×¼×Ô2018Äê6ÔÂ7ÈÕÆðʵʩ¡£¾ßÌå±ê×¼ÈçÏ£º
¡¢×Ô±¾±ê׼ʵʩ֮ÈÕÆðÖÁ2020Äê9ÔÂ30ÈÕ£¬ÔÚÓùøÂ¯Ö´Ðбí1»®¶¨µÄÅÅ·ÅÏÞÖµ¡£×Ô2020Äê10ÔÂ1ÈÕÆð£¬ÔÚÓùøÂ¯£¨ÉúÎïÖÊȼÁϹøÂ¯³ýÍ⣩ִÐбí2»®¶¨µÄÅÅ·ÅÏÞÖµ¡£×Ô2020Äê10ÔÂ1ÈÕÆð£¬ÔÚÓÃÉúÎïÖÊȼÁϹøÂ¯Ö´Ðбí1»®¶¨µÄÅÅ·ÅÏÞÖµ¡£
2¡¢×Ô±¾±ê׼ʵʩ֮ÈÕÆð£¬Ð½¨¹øÂ¯£¨ÉúÎïÖÊȼÁϹøÂ¯³ýÍ⣩ִÐбí3»®¶¨µÄÅÅ·ÅÏÞÖµ¡£×Ô±¾±ê׼ʵʩ֮ÈÕÆð£¬Ð½¨ÉúÎïÖÊȼÁϹøÂ¯Ö´Ðбí1»®¶¨µÄÅÅ·ÅÏÞÖµ¡£
11.ÖØÇì


DB50/ 658—2016¡¶¹øÂ¯´óÆøÎÛȾÎïÅŷűê×¼¡·ÖØÇìÊеط½±ê×¼µÚ 1 ºÅÐ޸ĵ¥¡£±¾Ð޸ĵ¥¾ÖØÇìÊÐÈËÃñÕþ¸®ÓÚ 2020 Äê 10 Ô 10 ÈÕÅú×¼£¬ÓÉÖØÇìÊÐÉú̬Çé¿ö¾Ö¡¢ÖØÇìÊÐÊг¡¼à¶½ÖÎÀí¾ÖÓÚ 2020 Äê 10 Ô 23ÈÕÐû²¼£¬×Ô 2021 Äê 1 Ô 1 ÈÕʵʩ
12.ÄÚÃɹÅ


13.¹ãÎ÷


14.Î÷²Ø


15.ÄþÏÄ


Òø´¨¼°ÖܱߵØÇø¶¼»á½¨³ÉÇø½ûֹн¨È¼Ãº¡¢ÖØÓÍ¡¢ÔüÓͼ°Ö±½ÓȼÓÃÉúÎïÖʹøÂ¯£¬ÑϽûн¨ÊèɢʽÒÔ»§ÎªÖ÷µÄȼú²ÉůÉèÊ©£¨²èԡ¯¡¢ÍÁů¯µÈ£©£»¶¼»á½¨³ÉÇøÍâ½ûֹн¨10Õô¶Ö/СʱÒÔÏÂȼú¹øÂ¯£»ÆäËûÉèÇøÊеؼ¶¶¼»á½¨³ÉÇø½ûֹн¨20Õô¶Ö/СʱÒÔÏÂȼú¹øÂ¯£¬ÆäËûÏØ£¨Çø£©¶¼»á½¨³ÉÇøÔÔòÉϲ»ÔÙн¨10Õô¶Ö/СʱÒÔÏÂȼú¹øÂ¯,¶¼»á½¨³ÉÇøÑϽûн¨ÊèɢʽÒÔ»§ÎªÖ÷µÄȼú²ÉůÉèÊ©£¨²èԡ¯¡¢ÍÁů¯µÈ£©¡£
16.н®


ƾ¾Ý¡¶ÎÚ³ľÆëÊÐÈ¼Æø¹øÂ¯´óÆøÎÛȾÎïÅŷűê×¼¡·»®¶¨£¬×Ô2018Äê4ÔÂ22ÈÕÆð£¬Ð½¨È¼Æø¹øÂ¯µÄµªÑõ»¯ÎïÅÅ·ÅÏÞֵΪ40ºÁ¿Ë/Á¢·½Ã×£¬ÔÚÓùøÂ¯ÈÔÖ´Ðйú±êÖеÄÌØ±ðÅÅ·ÅÏÞÖµ150ºÁ¿Ë/Á¢·½Ã×£»×Ô2020Äê10ÔÂ1ÈÕÆð£¬ÔÚÓÃÈ¼Æø¹øÂ¯µªÑõ»¯ÎïÅŷűØÐëµÍÓÚ60ºÁ¿Ë/Á¢·½Ãס£Ð±ê×¼»®¶¨µÄÅÅ·ÅÏÞÖµ½ÏÏÖÐÐÅŷűê×¼ÊÕÑÏÁè¼ÝÒ»°ë¡£
17.ºÚÁú½


18.½ËÕ

×Ô±ê׼ʵʩ֮ÈÕÆðн¨È¼ÃºÈÈµç¹øÂ¯¼°65¶ÖÒÔÉÏȼú¹øÂ¯Ö´ÐпÅÁ£Îï5mg/m3¡¢¶þÑõ»¯Áò35mg/m3¡¢ÈýÑõ»¯Áò5mg/m3¡¢µªÑõ»¯Îï50mg/m3£¬ÏÖÓйøÂ¯×Ô2020Äê7ÔÂ1ÈÕÆðÒ²Ö´ÐÐÉÏÊö±ê×¼
19.°²»Õ


20.Õã½

×Ô±ê׼ʵʩ֮ÈÕÆðн¨È¼ÃºÈÈµç¹øÂ¯¼°65¶ÖÒÔÉÏȼú¹øÂ¯Ö´ÐпÅÁ£Îï5mg/m3¡¢¶þÑõ»¯Áò35mg/m3¡¢ÈýÑõ»¯Áò5mg/m3¡¢µªÑõ»¯Îï50mg/m3£¬ÏÖÓйøÂ¯×Ô2020Äê7ÔÂ1ÈÕÆðÒ²Ö´ÐÐÉÏÊö±ê×¼
21.¸£½¨


22.½Î÷


23.ºþ±±

±¾Ê¡¹æÄ£ÄÚ½ûֹн¨Ã¿Ð¡Ê±¶þÊ®Õô¶ÖÒÔϵÄȼú¹øÂ¯
24.ºþÄÏ


25.º£ÄÏ


26.ËÄ´¨

±¾±ê×¼2021Äê1ÔÂ1ÈÕʵʩ
27.¹óÖÝ


28.ÔÆÄÏ


29.¸ÊËà


30.Çຣ


31.±±¾©







